Garden Lighting Ring Main

Trying To Wire A Switched Light Circuit Into The Loft With 2 Lights Proving More Difficult Than Anticipa House Wiring Electrical Wiring Home Electrical Wiring

Trying To Wire A Switched Light Circuit Into The Loft With 2 Lights Proving More Difficult Than Anticipa House Wiring Electrical Wiring Home Electrical Wiring

Waterfall Fairy Lights For Watering Can Decor Five Etsy In 2021 Backyard Lighting Garden Projects Diy Backyard

Waterfall Fairy Lights For Watering Can Decor Five Etsy In 2021 Backyard Lighting Garden Projects Diy Backyard

Modern And Contemporary Outdoor Garden Sculpture Garden Art Sculptures Lawn Art Outdoor Sculpture

Modern And Contemporary Outdoor Garden Sculpture Garden Art Sculptures Lawn Art Outdoor Sculpture

Garden Solar Garden Stake Ezibuy Australia Solar Garden Decor Solar Garden Stakes Solar Lights Garden

Garden Solar Garden Stake Ezibuy Australia Solar Garden Decor Solar Garden Stakes Solar Lights Garden

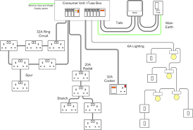
Ring Main Circuit Diagram Electrical Wiring Home Electrical Wiring Circuit Diagram

Ring Main Circuit Diagram Electrical Wiring Home Electrical Wiring Circuit Diagram

Get Luminous And Dazzle Garden Lights Topsdecor Com Solar Lights Garden Solar Garden Modern Garden Lighting

Get Luminous And Dazzle Garden Lights Topsdecor Com Solar Lights Garden Solar Garden Modern Garden Lighting

Get Luminous And Dazzle Garden Lights Topsdecor Com Solar Lights Garden Solar Garden Modern Garden Lighting

Ad Find China Manufacturers Of Landscape Lighting.

Garden lighting ring main. Moving sockets and power points is an expensive business and changing your mind can cost a great deal. The short answer is No. Simply place your garden lights where you want them.

These mains garden lights will become your garden go-to. Once outdoors you should supply your lights via 15mm² three core steel-wire-armoured cable SWA. Our mains garden lights mean guaranteed light night after night.

Beacon Lighting Cannon Hill. Ledvance 120cm 13W 1300lm Daylight LED Batten. Normal price 128.

Lighting Superstore is a proudly 100 Australian owned and operated retail lighting business. We are aware that some RING garden lighting was sold through the DIY chain BQ. Our energy efficient ranges are constantly updated.

139-143 Parramatta Rd Camperdown New South Wales 2050. To install garden lighting if it is to be lit by mains electricity it pays to draw a plan and know exactly what you want and even more importantly where. Our garden lights range includes everything from the more functional outdoor wall lights to garden party lights perfect for when entertaining.

Explore more products from leading brands you know and trust. Price valid while stock lasts. Philips 8W Black Hue Lily Garden Smart LED Spot Light Base Kit.

Wazipoint Engineering Science Technology What Are The Ring Circuit And Radial Circuit Home Electrical Wiring House Wiring Diagram House Wiring

Wazipoint Engineering Science Technology What Are The Ring Circuit And Radial Circuit Home Electrical Wiring House Wiring Diagram House Wiring

Wiring Diagram For A One Way Lighting Circuit Using The 3 Plate Method Connections Explained Youtube

Wiring Diagram For A One Way Lighting Circuit Using The 3 Plate Method Connections Explained Youtube

Cheap Solar Pillar Lights Buy Quality Pillar Light Directly From China Led Solar Suppliers New Arrival Solar Pillar Lights Outdoor Pillar Lights Outdoor Gate

Cheap Solar Pillar Lights Buy Quality Pillar Light Directly From China Led Solar Suppliers New Arrival Solar Pillar Lights Outdoor Pillar Lights Outdoor Gate

Firepit Patio Country Cottage Diy Circular Outdoor Entertaining Space Backyard Inspiration Backyard Backyard Landscaping

Firepit Patio Country Cottage Diy Circular Outdoor Entertaining Space Backyard Inspiration Backyard Backyard Landscaping

Schone Hinterhofbeleuchtung Ideenhttps Jihanshanum Com Backyard Lighting Ideas B Beste Garten Design Ideen Backyard Lighting Outdoor Deck Lighting Outdoor Tree Lighting

Schone Hinterhofbeleuchtung Ideenhttps Jihanshanum Com Backyard Lighting Ideas B Beste Garten Design Ideen Backyard Lighting Outdoor Deck Lighting Outdoor Tree Lighting

Pin On Outdoor Light

Pin On Outdoor Light

Waterproof Solar Led Lights Solar Fiber Optic Fountain Light Stake Set Of 2 Lawn Lights Garden Stakes Garden Fountains

Waterproof Solar Led Lights Solar Fiber Optic Fountain Light Stake Set Of 2 Lawn Lights Garden Stakes Garden Fountains

Da Vinci Lifestyle Landscape Design Landscape Lighting Modern Landscaping

Da Vinci Lifestyle Landscape Design Landscape Lighting Modern Landscaping

Pin On Electrics

Pin On Electrics

Pin On Crafts

Pin On Crafts

Watering Can With Lights Glow Water Garden Crafts Garden Projects

Watering Can With Lights Glow Water Garden Crafts Garden Projects

2 Pack Pineapple Decor Light Pineapple Solar Garden Lights Etsy Outdoor Solar Lanterns Solar Lights Garden Hanging Solar Lights

2 Pack Pineapple Decor Light Pineapple Solar Garden Lights Etsy Outdoor Solar Lanterns Solar Lights Garden Hanging Solar Lights

Led Palm Tree Ring Landscape Light Low Voltage 3 Spot Lights Ebay Palm Tree Lights Palm Trees Landscaping Outdoor Tree Lighting

Led Palm Tree Ring Landscape Light Low Voltage 3 Spot Lights Ebay Palm Tree Lights Palm Trees Landscaping Outdoor Tree Lighting

Source : pinterest.com